Trang chủ Vật Lý Lớp 9 Cho mạch điện như hình vẽ. Biết R=4W, R1 là...

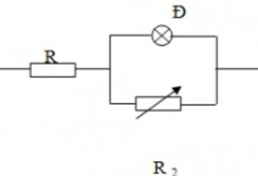
Cho mạch điện như hình vẽ. Biết R=4W, R1 là điện trở của đèn loại (6V-3W), R2 là biến trở, UMN =10V (không đổi). Xác định R2 để đèn sáng bình thường.Ð R 2

Câu hỏi :

Cho mạch điện như hình vẽ. Biết R=4W, R1 là điện trở của đèn loại (6V-3W), R2 là biến trở, UMN =10V (không đổi). Xác định R2 để đèn sáng bình thường.

image

Cho mạch điện như hình vẽ. Biết R=4W, R1 là điện trở của đèn loại (6V-3W), R2 là biến trở, UMN =10V (không đổi). Xác định R2 để đèn sáng bình thường.Ð R 2

Lời giải 1 :

Để đèn sáng bình thường:

`=>` `U_Đ=6V` ; `ccP_Đ=3W`

Hiệu điện thế chạy qua biến trở:

`U_{bĐ}=U_Đ=6V`

Hiệu điện thế chạy qua `R_1`:

`U_1=U-U_{bĐ}=10-6=4V`

Cường độ dòng điện chạy qua `R_1`:

`I_1=U_1/R_1=4/4=1A`

Cường độ dòng điện chạy qua `R_{bĐ}`:

`I_1=I_{bĐ}=1A`

Điện trở `R_{bĐ}`:

`R_{bĐ}=U_{bĐ}/I_{bĐ}=6/1=6\Omega`

Điện trở của đèn:

`R_Đ=U_Đ^2/ccP_Đ=6^2/3=12\Omega`

Điện trở của biến trở:

`1/R_{bĐ}=1/R_Đ+1/R_b`

`=>` `1/R_b=1/R_{bĐ}-1/R_Đ=1/6-1/12=1/12`

`=>` `R_b=12\Omega`

Bạn có biết?

Vật lý học là môn khoa học tự nhiên tập trung vào sự nghiên cứu vật chất và chuyển động của nó trong không gian và thời gian, cùng với những khái niệm liên quan như năng lượng và lực. Vật lý học là một trong những bộ môn khoa học lâu đời nhất, với mục đích tìm hiểu sự vận động của vũ trụ. Hãy khám phá và hiểu rõ những quy luật tự nhiên xung quanh chúng ta!

Nguồn :

Wikipedia - Bách khoa toàn thư

Tâm sự lớp 9

Lớp 9 - Là năm cuối ở cấp trung học cơ sở, chúng ta sắp phải bước vào một kỳ thi căng thẳng và sắp chia tay bạn bè, thầy cô. Áp lực từ kỳ vọng của phụ huynh và tương lai lên cấp 3 thật là lớn, nhưng hãy tin vào bản thân và giữ vững sự tự tin!

Nguồn :

sưu tập

Liên hệ hợp tác hoặc quảng cáo: gmail

Điều khoản dịch vụ

Copyright © 2021 HOCTAPSGK