Trang chủ Vật Lý Lớp 9 Ch Trên bảng tên Đại chi 20- 60W. Trên bóng...

Ch Trên bảng tên Đại chi 20- 60W. Trên bóng đàn Đại chỉ 20 - 40W. Mai song song and hang din ng in hindi in the 200 220V. a dvi dien mach thiên nhưng trên

Câu hỏi :

Mn giúp với ạ mai mình thi rùi:<

image

Ch Trên bảng tên Đại chi 20- 60W. Trên bóng đàn Đại chỉ 20 - 40W. Mai song song and hang din ng in hindi in the 200 220V. a dvi dien mach thiên nhưng trên

Lời giải 1 :

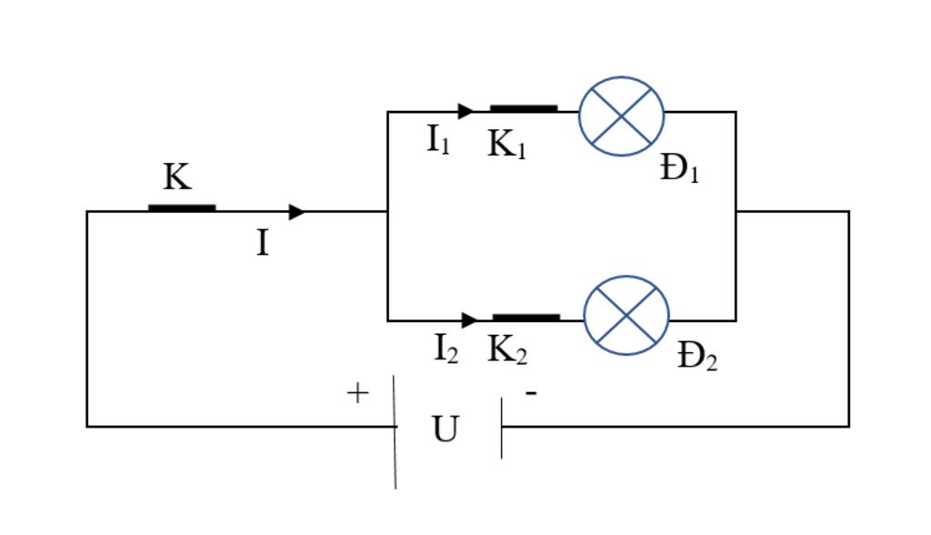
a) Sơ đồ mạch điện như hình vẽ

b) Vì đèn được mắc vào nguồn có hiệu điện thế đúng với hiệu điện thế định mức của mỗi đèn nên các đèn đều sáng bình thường.

Cường độ dòng điện qua đèn 1:

$I_{1}$ = $\frac{P_{đm1}}{U_{đm1}}$ = $\frac{60}{220}$ = 3/11 ≈ 0.27 (A)

Cường độ dòng điện qua đèn 2:

$I_{2}$ =  $\frac{P_{đm2}}{U_{đm2}}$ =  $\frac{40}{220}$ = 2/11 ≈ 0.18 (A)
c) Cường độ dòng điện qua mạch chính:

I  = $I_{1}$ + $I_{2}$ = $\frac{3}{11}$ + $\frac{2}{11}$ = $\frac{5}{11}$ ≈ 0.45 (A)
d) Công suất của đoạn mạch:

P = UI = 220 × $\frac{5}{11}$ = 100 (W)

image

Bạn có biết?

Vật lý học là môn khoa học tự nhiên tập trung vào sự nghiên cứu vật chất và chuyển động của nó trong không gian và thời gian, cùng với những khái niệm liên quan như năng lượng và lực. Vật lý học là một trong những bộ môn khoa học lâu đời nhất, với mục đích tìm hiểu sự vận động của vũ trụ. Hãy khám phá và hiểu rõ những quy luật tự nhiên xung quanh chúng ta!

Nguồn :

Wikipedia - Bách khoa toàn thư

Tâm sự lớp 9

Lớp 9 - Là năm cuối ở cấp trung học cơ sở, chúng ta sắp phải bước vào một kỳ thi căng thẳng và sắp chia tay bạn bè, thầy cô. Áp lực từ kỳ vọng của phụ huynh và tương lai lên cấp 3 thật là lớn, nhưng hãy tin vào bản thân và giữ vững sự tự tin!

Nguồn :

sưu tập

Liên hệ hợp tác hoặc quảng cáo: gmail

Điều khoản dịch vụ

Copyright © 2021 HOCTAPSGK